Powered By Kitlog Pro v2.0
Pauls Web Site
Sonex
Miscellaneous
12-5-2015
< Previous Log Entry
Next Log Entry >
Date:
12-5-2015
Number of Hours:
12.00
Manual Reference:
E1
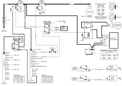
Brief Description:
Electrical System
I did a lot of research of electrical systems. I think I have a good plan for the power distribution system. It has over voltage protection, and a separate avionics bus.
I plan to design the signal distribution system next
< Previous Log Entry
Next Log Entry >
SITE NAVIGATION
Contact Builder
Sonex Home
Category
# Logs
# Hours
All
186
907
Avionics
5
46
Brakes
1
8
Carburator
2
6
Empennage
3
53
Engine
9
32
Firewall Forward
20
100
Flying
1
0
Fuel Systerm
4
18
Fuselage
26
190
Lights
1
4
Miscellaneous
12
48
Moving
1
10
Prop
1
2
Tail
53
178
Wings
47
212
Copyright © 2001-2020 Matronics. All Rights Reserved.