KitLog pro

Powered By Kitlog Pro v2.0

David's RV-7
' style=
Date:  2-14-2008
Number of Hours:  10.00
Manual Reference:  
Brief Description:  Electrical System Design

Been working at home getting the electrical system all laid out--so this is a catchup entry.

Electricity isn't my strong suit, so this has been a learning experience to be sure. But, I've pored over the blueprint for the basic design to understand how it all works and have expanded the design to include the items I want to have. I'm fairly close to having a design is that almost final. (I know better than to say final ;-)

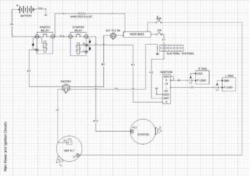
I've been making schematics and tracing the flow of power to make sure I have it right. I'm posting another eye-chart--not really useful like this but if you want to see it, let me know. It is the schematic I made for the power and ignition circuits. Next I'm going to draw the schematics for the main and avionics power distribution systems.

Oh, I also put up a pic of the instrument panel layout that I think i am going with at this point.
' style=

Main Power

Main Power

' style=

Instrument Panel

Instrument Panel

' style=










Copyright © 2001-2020 Matronics. All Rights Reserved.