KitLog pro

Powered By Kitlog Pro v2.0

David's RV-7
' style=
Date:  2-9-2008
Number of Hours:  6.00
Manual Reference:  
Brief Description:  Electrical System Design

Spent the last couple of days figuring out what switches and circuit breakers I'll need for my panel. I've decided to start the wiring before I fit the cowl and install the wings. Could do it later, but this is the way I am going for what it's worth.

Amazing how much thinking has to go into this wiring. I'm adding more goodies than the plans call for so that leaves it to me to figure out what and where and how many amps and what gauge wire and ahhhh! But, I have learned and am learning more about airplanes than I ever dreamed--and I'm loving it.

So after many hours, I've come up with my latest revision on the instument panel and the switching that I'll need. I put a pic of the panel layout on this page. Later, I'llpost my wiring layout after I et it done.
' style=

Instrument Panel

Instrument Panel

' style=

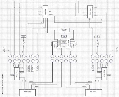
Trim Schematic

Trim Schematic

' style=










Copyright © 2001-2020 Matronics. All Rights Reserved.