
|

|
|

|
Matt Dralle's RV-8 Project

|
Date: 11-2-2009
|
Number of Hours: 3.00
|
Manual Reference:
|
Brief Description: Oxygen System - Switching Controller - Part 1
|

|
On the oxygen system, I wanted to integrate the system into the aircraft as much as possible. Installation of the EDS O2D2 in the right hand armrest fuselage bulkhead came out very nice and I was very much inspired to do a similar job on the rest of the components that make up the oxygen system.
The first I issue I needed to resolve was how to power the system on and off. The oxygen tank has an electronic on/off valve on the tank and the EDS O2D2 Pulse Demand unit requires power as well. Additionally, the oxygen tank has a 4-20ma pressure transducer for measuring tank pressure and for keeping the pilot informed of the remaining O2 level.
I have had a couple of email discussions with GRT regarding the possibility of adding a discrete output trigger based on a configurable sensor event. For example, what I would envision is a configurable warning from the GRT HX unit when the aircraft passes up through 10,000 feet. A warning on the screen that oxygen is recommend and prompting to turn it on (via a discrete output). By the same token, when passing down through 10,000 feet, a similar warning prompting the pilot to turn *off* the oxygen system and again pulsing a discrete output. This "automatic" function would be in addition to some sort of manual switching capability. I had a free "push" of a toggle switch function on the stick grip and decided to use this for turning the Oxygen system on and off. It would have to be a "push-on, push-off" arrangement, however, since the switch was also used to toggle the various screens across the three HX displays (a pull on the center-off switch).
Cont. Next Log...
|

|
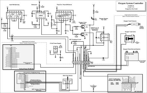
Oxygen Switching Controller Schematic (See PDF Link In Log Part 3 For High-Res Version)
|

|
Oxygen System Controller - Project Box Layout
|

|
Oxygen System Controller - PC Board Cut To Size
|

|
|

|

|

|
|

|

|
Copyright © 2008-2020 Matt Dralle. All Rights Reserved. |