Matt's RV-8 Project



Matt Dralle's RV-8 Project
' style=
Date:  1-5-2009
Number of Hours:  1.00
Manual Reference:  
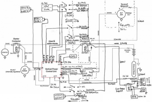
Brief Description:  Redundant Power - GPU Plug

I've added support for a remote, "Ground Power Unit" (GPU) plug which is a fancy way of saying a jumper cable. It adds a special "Cessna-Style" port on the plane that can be used to power the whole system including jump starting the engine and/or charging the battery. Most airports of any significant size will have this standard Cessna power plug available, so it will make a dead battery out at some distant airport only a minor inconvenience rather than a major pain in the rear.
' style=

Backbone Wiring - GPU Plug

Backbone Wiring - GPU Plug

' style=










Copyright © 2008-2020 Matt Dralle. All Rights Reserved.