
|

|
|

|
Matt Dralle's RV-8 Project

|
Date: 1-5-2009
|
Number of Hours: 4.00
|
Manual Reference:
|
Brief Description: Redundant Alternator, Backup Power
|

|
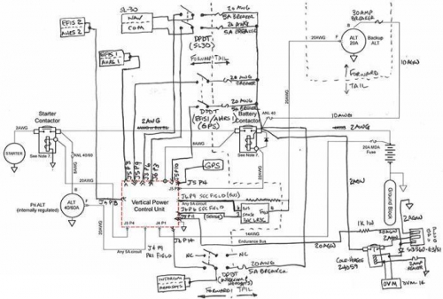
After a number of discussions with the owner of the Vertical Power company that manufactures the VP-200 electrical system I'm using (red box with remote LCD display) on the RV-8, I decided that since I have 100% digital/electronic instrumentation a few precautions should be taken in case of a system failure. These have turned out to include adding a small, secondary 20amp alternator that will be direct-drive off the engine case where the vacuum pump normally goes. Its a small, light unit that when not engaged, doesn't drag the engine down. Under normal circumstances, only one alternator will be engaged at a time, and normally that would be the primary one. If the VP-200 system detects that primary alternator has failed (a 60amp unit), it will automatically switch over to the secondary alternator (the 20amp unit) and turn off all of the "unnecessary" loads as determined by the configuration such as lights, radios, etc. All very cool.
To add even more redundancy, I've added backup "out-of-band" electrical circuits of sorts to supply power to the most critical devices in case of a total system failure. This adds basically three switches on the right hand switch column that under normal circumstances will always be "off" meaning that the critical devices will be powered normally from the VP-200 system. If the switches are set to the "on" position, power for these critical devices will then be supplied via dedicated wires run directly to the battery though their own circuit breakers. This adds a partially high level of reliability to the system. The devices currently in this "critical list" include the Primary EFIS/AHRS (heads up display with artificial horizon for flying the plane in weather), the SL-30 Nav/Com radio for talking to the tower or approach control, the GPS for navigation using the EFIS, and the Intercom/Headsets. Basically, everything you'd need to get the plane to the nearest airport safely.
|

|
Backbone Wiring - Redundant Alt & Backups
|

|
|

|

|

|
|

|

|
Copyright © 2008-2020 Matt Dralle. All Rights Reserved. |